J-K FLIP-FLOP DAN TOGGLE FLIP-FLOP (T FLIP- FLOP)
1.
Tujuan
a. Mengetahui apa itu J-K Flip-Flop dan Toggle
Flip-Flop (T Flip-Flop)
b. Mengetahui bentuk rangkaian J-K Flip-Flop
dan Toggle Flip-Flop (T Flip-Flop)
2. Alat
dan bahan
Alat:
1. Power
supply
2. Ground
Berfungsi sebagai penghantar arus listrik
langsung ke bumi atau tanah.
Bahan:
1. Gerbang NAND
Spesifikasi IC 7400:
·
Tegangan Suply:
7 V
·
Tegangan input:
5.5 V
·
Beroperasi pada
suhu udara 0 sampai +70 derjat
·
Kiasaran suhu
penyimpanan: -65 derjat sampai 150 derjat celcius
Konfiugurasi pin:
-
Vcc :
Kaki 14
-
GND
: Kaki 7
-
Input
: Kaki 1
dan 2, 4 dan 5, 13 dan 12, 10 dan 9
-
Output : Kaki 3,
6, 1
2.
3. Logic state
3. Dasar
teori
1.
Gerbang NAND adalah gabungan
gerbang NOT dan AND
mempunyai dua atau lebih sinyal masukan (input) tetapi hanya satu sinyal
keluaran (output). IC 7400 merupakan ic yang dibangun dari gerbang logika
dasar NAND. Gerbang NAND menghendaki semua inputnya bernilai 0 (terhubung
dengan ground) atau salah satunya bernilai 1 agar menghasilkan output yang
berharga 1.
2.
Inverter atau pembalik(NOT) adalah suatu gerbang
yang bertujuan untuk menghasilkan logika output kebalikan dari logika input.
Adapun simbol dan tabel kebenaran gerbang Inverter seperti berikut:
3.
Materi
10.5
J-K Flip-Flop
Flip flop J-K berperilaku dengan cara yang sama
seperti Flip
flop R-S kecuali salah satu entri dalam tabel
fungsi. Dalam kasus flip-flop R-S, kombinasi input S = R = 1 (dalam kasus flip-flop
dengan input HIGH aktif) dan kombinasi input S = R = 0 (dalam kasus sandal
jepit dengan input LOW aktif) dilarang. Dalam kasus flip-flop J-K dengan input
HIGH aktif, output dari toggle flip-flop, yaitu, ia pergi ke keadaan lain,
untuk J = K = 1 . Output bolak-balik untuk J = K = 0 dalam kasus Flip flop yang memiliki input LOW
aktif. Dengan demikian,
Flip flop J-K mengatasi kombinasi input
terlarang dari sandal jepit R-S. Gambar masing-masing 10.26(a) dan (b) tampilkan
simbol sirkuit Flip flop J-K yang dipicu
level dengan input LOW aktif DAN TINGGI aktif, bersama dengan tabel fungsinya.
Gambar 10.27 menunjukkan realisasi Flip flop J-K dengan R-S Flip-
flop.
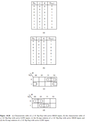
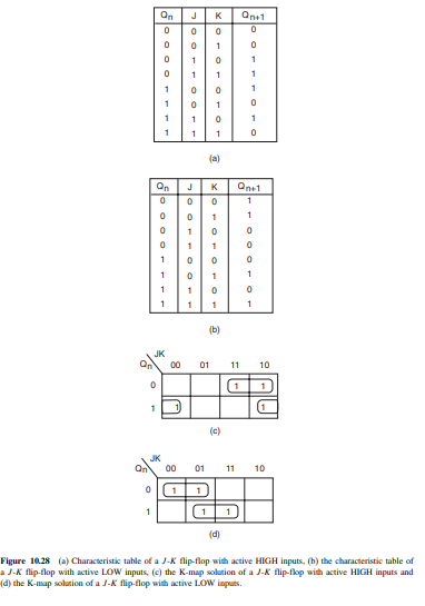
Tabel karakteristik untuk Flip flop J-K dengan input
HIGH J dan K aktif dan Flip
flop J-K dengan input LOW J dan K aktif
masing-masing ditampilkan dalam Buah Ara 10.28(a) dan (b) Peta Karnaugh
ditampilkan dalam Gbr. 10.28 (c) untuk tabel karakteristik Gbr. 10.28(a) dan di
Gbr. 10.28(d) untuk tabel karakteristik Gbr. 10.28 (b). Persamaan karakteristik
untuk Karnaugh peta Buah Ara 10.28(c) dan (d) masing-masing
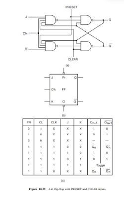
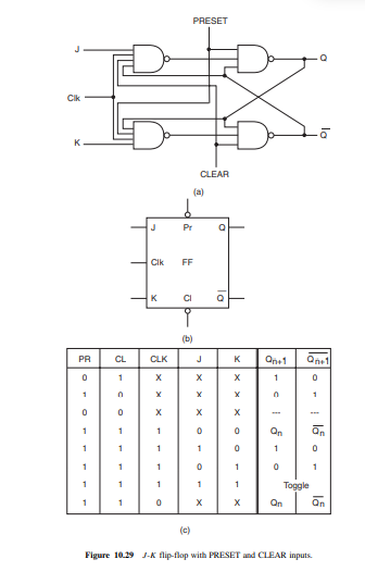
10.5.1 J-K Flip-Flop
with PRESET and CLEAR
Inputs
Seringkali perlu untuk menghapus Flip flop ke
status logika '0' (Qn = 0) atau membuatnya
ke status logika '1' (Qn = 1). Contoh bagaimana hal ini diwujudkan ditunjukkan
dalam Gbr. 10.29(a). Flip flop dibersihkan
(artinya, Qn = 0) setiap kali input CLEAR adalah '0' dan input PRESET adalah
'1'. Flip flop telah ditetapkan ke logika
'1' menyatakan setiap kali input PRESET adalah '0' dan input CLEAR adalah '1'.
Di sini, CLEAR dan Input PRESET aktif saat LOW. Gambar 10.29(b) menunjukkan
simbol sirkuit dari presettable ini, jelas, jam J-K flip-flop. Gambar 10.29(c)
memperlihatkan tabel fungsi dari Flip flop tersebut. Hal ini terbukti dari tabel fungsi
yang, setiap kali input PRESET aktif, output masuk ke '1' terlepas dari status
jam, input J dan K. Demikian pula, ketika Flip flop dibersihkan, yang adalah, input CLEAR aktif,
output masuk ke status '0' terlepas dari status jam, J dan input K. Dalam
sandal jepit jenis ini, input PRESET dan CLEAR tidak boleh dibuat aktif pada
saat yang sama.
10.5.2
Master–Slave Flip-Flops
Setiap kali lebar denyut nadi clocking sandal
jepit lebih besar dari penundaan perambatan flip-flop, perubahan keadaan pada
output tidak dapat diandalkan. Dalam kasus sandal jepit yang dipicu tepi, ini lebar
pulsa akan menjadi lebar denyut pemicu yang dihasilkan oleh bagian detektor
tepi flip-flop dan bukan lebar denyut nadi sinyal jam input. Fenomena ini
disebut sebagai perlombaan Masalah. Karena keterlambatan perambatan biasanya
sangat kecil, kemungkinan terjadinya kondisi balapan cukup tinggi. Salah satu
cara untuk mengatasi masalah ini adalah dengan menggunakan master-slave Konfigurasi.
Gambar 10.30(a) menunjukkan flip-flop master-budak yang dibangun dengan dua flip-flop
J-K. flip-flop pertama disebut master flip-flop dan yang kedua disebut budak.
Jam ke flip-flop budak adalah pelengkap jam untuk master flip-flop. Ketika jam
berdenyut hadir, master flip-flop diaktifkan sementara budak flip-flop
dinonaktifkan. Akibatnya, master flip-flop dapat mengubah keadaan sementara
budak flip-flop tidak bisa. Ketika jam berjalan RENDAH, master flip-flop akan
dinonaktifkan sementara flip-flop budak diaktifkan. Oleh karena itu, budak J-K
flip-flop berubah status sesuai status logika pada input J dan K-nya. Isi dari
master flip-flop oleh karena itu ditransfer ke flip-flop budak, dan master
flip-flop, dinonaktifkan, dapat memperoleh input baru tanpa mempengaruhi
output. Seperti yang akan jelas dari deskripsi di atas, master - flip-flop
budak adalah flip-flop yang dipicu denyut nadi dan bukan yang dipicu tepi.
Gambar 10.30(b) menunjukkan tabel kebenaran flip-flop J-K master-slave dengan
input LOW PRESET dan CLEAR aktif dan input HIGH J dan K aktif. Konfigurasi
master-slave telah usang. IC yang lebih baru teknologi seperti 74LS, 74AS,
74ALS, 74HC dan 74HCT tidak memiliki flip-flop master-budak di Seri.
10.6
Toggle Flip-Flop (T Flip-Flop)
Output dari flip-flop bolak-balik, juga
disebut T flip-flop, mengubah status setiap kali dipicu pada input T-nya, yang
disebut input bolak-balik. Artinya, output menjadi '1' jika '0' dan '0' jika
itu '1'. Gambar masing-masing 10.34(a) dan (b) menunjukkan simbol sirkuit yang
dipicu tepi positif dan negate flip-flop T yang dipicu tepi, bersama dengan
tabel fungsinya.
Jika kita
menganggap input T aktif saat HIGH, tabel karakteristik flip-flop tersebut
ditampilkan dalam Gbr. 10.34 (c). Jika input T aktif saat RENDAH, maka tabel
karakteristik akan seperti yang ditunjukkan dalam Gbr. 10.34(d). Peta Karnaugh
untuk tabel karakteristik Buah Ara 10.34(c) dan (d) ditampilkan dalam Buah Ara
masing-masing 10,34(e) dan (f). Persamaan karakteristik seperti yang ditulis
dari peta Karnaugh adalah sebagai berikut:
Hal ini jelas dari prinsip operasional
flip-flop T bahwa frekuensi sinyal di Output Q adalah setengah dari frekuensi
sinyal yang diterapkan pada input T. Pengaturan bertingkat nT flip-flop, di
mana output dari satu flip-flop terhubung ke input T dari flip-flop berikut,
dapat digunakan untuk membagi frekuensi sinyal input dengan faktor 2n. Gambar
10.35 menunjukkan pembagian-oleh-16 sirkuit yang dibangun di sekitar pengaturan
bertingkat empat flip-flop T.
10.6.1 J-K Flip-Flop sebagai Flip-Flop Toggle
Jika kita ingat tabel
fungsi sandal jepit
J-K, kita akan melihat bahwa, ketika J dan K input flip-flop terikat ke level
aktif mereka ('1' jika J dan K aktif saat HIGH, dan '0' level ketika J dan K
aktif ketika LOW), flip-flop berperilaku seperti flip-flop al jepit, dengan input jamnya
melayani sebagai input T. Bahkan, flip-flop J-K dapat digunakan untuk membangun
sandal jepit lainnya. Itulah sebabnya juga kadang-kadang disebut sebagai flip-flop
universal. Gambar 10.36 menunjukkan penggunaan flip-flop J-K sebagaiT flip-
flop.
4.
Prosedur percobaan
· Buka aplikasi proteus
· Pilih komponen yang dibutuhkan, pada
rangkaian ini dibutukan komponen
· Rangkai setiap komponen menjadi
rangkaian yang diinginkan
· Ubah spesifikasi komponen sesuai
kebutuhan
· Jalankan simulasi rangkaian.
5.
Gambar rangkaian
Prinsip kerja:
Gambar satu: Ketika input berlogika 1 maka akan masuk
ke gerbang not sehingga keluarannya menjadi 0, lalu akan menjadi input bagi
gerbang nand, selain itu input lainnya juga berlogika 1 sehingga output
akhirnya berlogika 0, begitu pula jika input awal berlogika 0, maka output
akhir juga berlogika 1.
Gambar dua: ketika kedua input atau salah satu
berlogika 1 maka q dan -q akan mengeluarkan
output 0 dan 1, kalau dua dua input
berlogika 0 maka q dan -q mengeluarkan
output 1.
Gambar tiga: ketika kedua input atau salah satu
berlogika 0 maka q dan -q akan
mengeluarkan output 0 dan 1 atau sebaliknya, namun jika dua dua input berlogika
1 maka q dan -q mengeluarkan output beralih-alih.
Gambar empat: ketika kedua input atau salah satu
berlogika 0 maka q dan -q akan
mengeluarkan output 0 dan 1 atau sebaliknya, namun jika dua dua input berlogika
1 maka q dan -q mengeluarkan output beralih-alih.
Gambar lima: Pada gambar b ketika input berlogika 0
atau 1 maka outputnya menjadi beralih alih, pada gambar c jika inputnya 1 atau
0 maka outputnya tetap 0.
Gambar enam: jika kita beri input logika 0 atau 1 maka outputnya berubah- ubah atau beralih
6.
Video
7.
Contoh soal
Contoh
10.3
Gambar simbol sirkuit flip-flop yang diwakili
oleh tabel fungsi Gbr. 10.31(a).
Solusi:
Tiga entri pertama dari tabel
fungsi
menunjukkan bahwa flip-flop J-K memiliki PRESET TINGGI aktif dan CLEAR input.
Mengacu pada entri keempat dan kelima dari tabel fungsi, ia memiliki Input J
dan K. Baris ketujuh dari tabel fungsi mengkonfirmasi hal ini. Output merespons
positif (LOW-to-HIGH) tepi input jam. Dengan demikian, flip-flop yang diwakili
oleh tabel fungsi yang diberikan adalah flip-flop yang dapat disetel, jelas,
dan dipicu tepi positif dengan PRESET TINGGI aktif dan CLEAR dan input LOW J
dan K aktif. Gambar 10.31(b) menunjukkan simbol sirkuit flip-flop yang diwakili
dengan meja kebenaran ini.
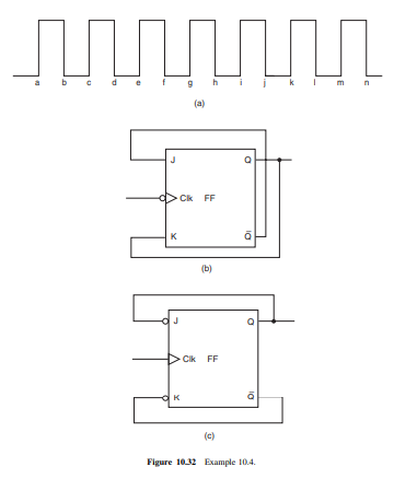
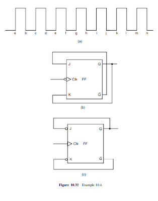
Contoh 10.4
Bentuk gelombang
persegi 100 kHz dari Gbr. 10.32(a) diterapkan pada input jam flip-flop yang
ditunjukkan pada 10.32(b) dan (c). Jika output Q awalnya '0', gambar bentuk
gelombang output Q dalam dua kasus. Juga, tentukan frekuensi output Q dalam dua
kasus.
Solusi
Lihat flip-flop Ara. 10.32(b). Q awalnya
'0'. Hal ini membuat input J dan K awalnya '1' dan '0' masing-masing. Dengan
tepi trailing pertama input jam, Q masuk ke status '1'. Dengan demikian, J dan
K memperoleh status logika masing-masing '0' dan '1'. Dengan tepi trailing
berikutnya dari input jam, Q masuk ke logika '0'. Proses ini berlanjut, dan Q
secara bergantian menjadi '1' dan '0'. Output Q bentuk gelombang untuk kasus
ini ditampilkan dalam Gbr. 10.33(a). Dalam kasus flip-flop pada. 10.32 (c), J
dan K masing-masing berinisial '0' dan '1'. Dengan demikian, J aktif. Dengan
tepi depan pertama dari input jam, T dan oleh karena itu J pergi ke status
logika '1'. Tepi terdepan kedua memaksa Q untuk pergi ke logika '0' menyatakan
seperti sekarang adalah input K yang dalam keadaan logika '0' dan aktif.
Sirkuit ini juga berperilaku sama seperti sandal jepit Dari Gbr. 10.32(b).
Output berjalan secara bergantian ke status logika '0' dan '1'. Namun, transisi
terjadi di tepi depan input jam. Gambar 10.33(b) memperlihatkan Q bentuk
gelombang output untuk kasus ini. Frekuensi bentuk gelombang output Q dalam dua
kasus sama dengan setengah frekuensi input jam, untuk alasan yang jelas, dan
karena itu 50 kHz.
Contoh 10.5
Lihat pengaturan
bertingkat dua flip-flop T
di Gbr. 10.37(a). Menggambar bentuk gelombang output Q untuk sinyal masukan
yang diberikan. Jika periode waktu sinyal input adalah 10 ms, temukan frekuensi
sinyal keluaran? Jika, dalam pengaturan flip-flop pada. 10.37(a), FF-2 dipicu
tepi positif, gambar bentuk gelombang output Q.
Solusi
Bentuk gelombang
output Q ditampilkan dalam Gbr. 10.37(b) bersama dengan output Q FF-1. Keluaran
dari pertama T flip-flop mengubah status untuk setiap negatif-going edge dari
bentuk gelombang jam input. Frekuensinya oleh karena itu setengah dari
frekuensi sinyal input. Output flip-flop pertama bertindak sebagai input jam untuk
flip-flop T kedua dalam pengaturan kaskade. Flip-flop kedua juga, beralih untuk
setiap tepi negatif dari bentuk gelombang muncul pada inputnya. Output akhir
dengan demikian memiliki frekuensi yang adalah seperempat dari frekuensi sinyal
input:
Sekarang periode
waktu sinyal input = 10 ms.
Oleh karena itu,
frekuensi = 100 kHz.
Frekuensi sinyal output = 25 kHz.
Ketika flip-flop kedua (FF-2) adalah yang dipicu tepi positif, itu akan merespons sisi bentuk gelombang muncul pada input T-nya, yang merupakan bentuk gelombang yang muncul pada output Q FF-1. Bentuk gelombang yang relevan dalam hal ini ditunjukkan dalam Gbr. 10.38.
8.
Problem
1.Apa itu flip flop Jk
Jawab: Flip flop JK merupakan flip flop yang paling
ideal digunakan sebagai piranti penyikpanan (memori). Flip flop JK digunakan
pada setiap komputer digital maupun piranti lainnya.
2.
Jelaskan dua jenis umpan balik pada flip flop JK!
Jawab: Rangkaian dari flip flop terdiri dari
rangkaian gerbang logika, seperti flip flop lain. Tetapi, flip flop JK memilki
keunikan tersendiri, yaitu pada keluaran Q dan Q’ terdapat dua jenis umpan
balik, dengan keluaran yang diumpan balikkan kembali.
Ada dua jenis umpan balik :
a. Umpan Balik flip flop. Berfungsi supaya rangkaian
gerbang logika yang berada di dalam garis putus – putus FL dapat menahan sebuah
data biner.
b. Umpan balik Togel (Toggle). Umpan balik ini
enyebabkan flip flop JK mengalami toggle.
9.
Soal pilihan ganda
1. Apa manfaat dari penggunaan flip flop Jk,
kecuali
a. Pencacah frekuensi (frequency
counter)
b. Pembangkit ragam gelombang kotak simetri (symetri
square wave form generator)
c. Pencacah arus (current
frequency)
d. Pembagi frekuensi (frequency
divider)
Jawab: c
2.
Dibawah ini merupakn gambar saat
b. Keadaan
reset
c. Keadaan clear
d. Preset
Jawab: a (Ini terjadi saat masukan J dan K sama sama
berniali 1 sehingga dihasilkan keadaan set dan reset yang terus bergantian)

0 Komentar