Sistem Digital

GATES WITH OPEN COLLECTOR/DRAIN OUTPUTS



      1. Tujuan

a. Mengetahui apa itu Gates with Open Collector/Drain Outputs

b. Mengetahui bentuk rangkaian Gates with Open Collector/Drain Outputs


      2. LED

Sebagai indicator.





3. Gerbang NAND

Gerbang NAND adalah gabungan gerbang NOT dan AND mempunyai dua atau lebih sinyal masukan (input) tetapi hanya satu sinyal keluaran (output). IC 7400 merupakan ic yang dibangun dari gerbang logika dasar NAND. Gerbang NAND menghendaki semua inputnya bernilai 0 (terhubung dengan ground) atau salah satunya bernilai 1 agar menghasilkan output yang berharga 1.


Spesifikasi IC 7400:

·         Tegangan Suply: 7 V

·         Tegangan input: 5.5 V

·         Beroperasi pada suhu udara 0 sampai +70 derjat

·         Kiasaran suhu penyimpanan: -65 derjat sampai 150 derjat celcius 

Konfiugurasi pin:

-          Vcc : Kaki 14

-          GND : Kaki 7

-          Input : Kaki 1 dan 2, 4 dan 5, 13 dan 12, 10 dan 9

-          Output : Kaki 3, 6, 1


·         Tegangan Suply: 7 V

·         Tegangan input: 5.5 V

·         Beroperasi pada suhu udara 0 sampai +70 derjat

·         Kiasaran suhu penyimpanan: -65 derjat sampai 150 derjat celcius.

Konfiugurasi pin:

-          Vcc : Kaki 14

-          GND : Kaki 7

-          Input : Kaki 2, 3, 6, 8, 9, 11, dan 12

-          Output : Kaki 1, 4, 10, dan 13

6. Logic state

Gerbang Logika (Logic Gates) adalah sebuah entitas untuk melakukan pengolahan  input-input yang berupa bilangan biner (hanya terdapat 2 kode bilangan biner yaitu, angka 1 dan 0) dengan menggunakan Teori Matematika Boolean sehingga dihasilkan sebuah sinyal output yang dapat digunakan untuk proses berikutnya.



6. Inverter (NOT)

Inverter atau pembalik(NOT) adalah suatu gerbang yang bertujuan untuk menghasilkan logika output kebalikan dari logika input. Adapun simbol dan tabel kebenaran gerbang Inverter seperti berikut:




      3. Dasar teori

1. Resistor

Resistor atau hambatan adalah salah satu komponen elektronika yang memiliki nilai hambatan tertentu, dimana hambatan ini akan menghambat arus listrik yang mengalir melaluinya. Satuan Resistor adalah Ohm (simbol: Î©) yang merupakan satuan SI untuk resistansi listrik. Dalam sejarah, kata ohm itu diambil dari nama salah seorang fisikawan hebat asal German bernama George Simon Ohm. Beliau juga yang mencetuskan keberadaan hukum ohm yang masih berlaku hingga sekarang.

Rumus dari Rangkaian Seri Resistor: Rtotal = R1 + R2 + R3 + ..... + Rn

Rumus dari Rangkaian paralalResistor: 1/Rtotal = 1/R1 + 1/R2 + 1/R3 + ..... + 1/Rn

Rumus resistor dengan hukum ohm: R = V/I

Cara membaca resistor:



2. LED

LED merupakan sebuah komponen yang menghasilkan cahaya monokromatik ketika diberi tegangan. LED terbuat dari semikonduktor dan  perbedaan warna yang dihasilkan disebabkan perbedaan bahan semikonduktor yang  digunakan. 

LED merupakan keluarga dari Dioda yang terbuat dari Semikonduktor. Cara kerjanya pun hampir sama dengan Dioda yang memiliki dua kutub yaitu kutub Positif (P) dan Kutub Negatif (N). LED hanya akan memancarkan cahaya apabila dialiri tegangan maju (bias forward) dari Anoda menuju ke Katoda.

LED terdiri dari sebuah chip semikonduktor yang di doping sehingga menciptakan junction P dan N. Yang dimaksud dengan proses doping dalam semikonduktor adalah proses untuk menambahkan ketidakmurnian (impurity) pada semikonduktor yang murni sehingga menghasilkan karakteristik kelistrikan yang diinginkan. Ketika LED dialiri tegangan maju atau bias forward yaitu dari Anoda (P) menuju ke Katoda (K), Kelebihan Elektron pada N-Type material akan berpindah ke wilayah yang kelebihan Hole (lubang) yaitu wilayah yang bermuatan positif (P-Type material). Saat Elektron berjumpa dengan Hole akan melepaskan photon dan memancarkan cahaya monokromatik (satu warna).


3. Materi Gates With Open Collector/Drain Outputs

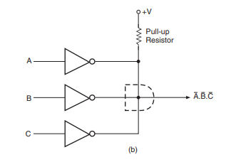
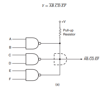
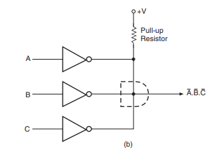
Ini adalah gerbang di mana kita perlu menghubungkan resistor eksternal, yang disebut resistor pull-up, antara output dan catu daya DC untuk membuat gerbang logika melakukan fungsi logika yang dimaksud. Tergantung pada keluarga logika yang digunakan untuk membangun gerbang logika, mereka disebut sebagai gerbang dengan kolektor terbuka output (dalam kasus keluarga logika TTL) atau output saluran pembuangan terbuka (dalam kasus keluarga logika MOS).

Keluarga logika dibahas secara rinci di Bab 5. Keuntungan menggunakan open collector/open drain gate terletak pada kemampuan mereka dalamOperasi ANDing ketika output dari beberapa gerbang diikat bersama-sama melalui resistor pull-up umum.

Implementasi gerbang logika dasar hanya menggunakan gerbang NAND.


Implementasi gerbang logika dasar hanya menggunakan gerbang NOR.


Tanpa harus menggunakan gerbang AND untuk tujuan tersebut. Sambungan ini juga disebut sebagai WIRE-AND Koneksi. Gambar 4.26(a) menunjukkan koneksi seperti itu untuk gerbang NAND kolektor terbuka. Keluaran dalam hal ini kasus akan

Gambar 4.26 KONEKSI KAWAT  dengan kolektor terbuka/ perangkat pembuangan.


Figure 4.26 (continued).

Gambar 4.26(b) menunjukkan pengaturan yang sama untuk gerbang NOT. Kerugiannya adalah bahwa mereka relative lebih lambat dan lebih berisik. Oleh karena itu, perangkat kolektor/pengurasan terbuka tidak disarankan untuk aplikasi di mana kecepatan adalah pertimbangan penting.

4. Prosedur percobaan

·         Buka aplikasi proteus

·         Pilih komponen yang dibutuhkan, pada rangkaian ini dibutukan komponen resistor, logic state, gerbang NAND, NOR, dan NOT, serta led dan ground

·         Rangkai setiap komponen menjadi rangkaian yang diinginkan

·         Ubah spesifikasi komponen sesuai kebutuhan 

·         Jalankan simulasi rangkaian.

5. Gambar rangkaian








Prinsip kerja



Gerbang Nand

Gambar 1: kalau inputnya keduanya 0 maka output 1 sehingga led hidup, begitu pula kalau salah satu input berlogika satu maka led juga hidup, tapi kalau kedua input berlogika 1 maka led mati karena outputnya berlogika 0.

Gambar 2: rumusnya a.b, artinya kalau salah satu input 1 maka led mati, namun kalau dua duanya 1 maka hidup, persamaan didapat dari: Kalau misal gerbang nand 1 diberi salah satu input 1 maka outputnya 1 sehingga ketika masuk ke gerbang nand kedua input dua duanya 1 sehingga outputnya 0 dan led tidak bisa menyala.

Gambar 3: rumusnya kan a+b, artinya ketika gerbang u1:a itu inputnya 1 maka outputnya 0, dan ketika u1:b itu inputnya 1 maka outputnya 0, ketika kedua output dari gerbang 1 dan 2 0 akan masuk menjadi input bagi gerbang u1:c sehingga outputnya akan menjadi 1 dan led hidup.

Gerbang NOR

Gambar 4: ketika salah satu input berlogika 1 maka gerbang nor akan mengeluarkan output 0 krna 1+0=1 dan dibalikkan menjadi 0, namun ketika kedua output berlogika 0 maka ketika dibalikkan menjadi 1 sehingga led hidup.

Gambar 5: ketika input gerbang 1 seluruhnya 1 atau salah satu 1 maka akan menghasilkan output 0 dan ketika masuk ke gerbang kedua sehingga akan menjadi input bagi gerbang kedua lalu akan keluar output berlogika 1, oleh karena itu led akan hidup.

Gambar 6: ketika input gerbang 1 dan 2 seluruhnya 1 atay salah satu 1 maka akan menghasilkan output 0, ketika masuk ke gerbang ketiga, output dari gerbang 1 dan 2 menjadi input dari gerbang 3 sehingga output yg dikeluarkan adalah 1, dan led pun menyala.

Gerbang NAND

Gambar 7: ketika salah satu input gerbang 1,2, dan 3 salah satunya 0 atau seluruhnya 0 maka akn menghasilkan output 1 sehingga led akan hidup, namun ketika satu gerbang yg outputnya berlogika 0 dan gerbang lainnya berlogika 1 maka led tetap akan menyala, namun redup.

Inverter

Gambar 8: ketika semua input gerbang berlogika 0, maka outputnya 1 sehingga led hidup, namun ketika salah satu gerbang berlogika 0 maka led tetap akan hidup namun redup.


6. Video

Video gambar rangkaian 1-8 disini


7. Contoh soal

1. Gambarkan rangkaian gerbang NAND yang dinyatakan dengan persamaan y= (A+B)!

Jawab:

2. Gambarkan rangkaian gerbang NOR with open collector/drain devices dengan 4 lebar dua masukan!

Jawab:

8. Problem

1. Bagaimana untuk gerbang NOT yang dijadikan rangkaian connection wire dengan kolektor terbuka/ perangkat pembuangan?

Jawaban: Jika gerbang NOT dijadikan rangkaian connection wire dengan kolektor terbuka/ drain devices maka akan menimbulkan kerugian. Kerugiannya adalah bahwa mereka relative lebih lambat dan lebih berisik. Oleh karena itu, perangkat kolektor/pengurasan terbuka tidak disarankan untuk aplikasi di mana kecepatan adalah pertimbangan penting.

2. Tiga buah gerbang NAND dirangkai seperti gambar dibawah. Buatlah tabel kebenaran untai tersebut!

Jawab:

Tabel kebenaran harus memuat seluruh variasi masukan A, B, C dan D. Karena ada 4 masukan, maka jumlah variasi ada 24 = 16, sehingga tabel akan mempunyai 16 baris.

9. Soal pilihan ganda

1. Penambahan resistor ke sinyal “high” atau  gerbang di mana perlu menghubungkan resistor eksternal biasanya yang disebut dengan?

a. Pull up

b. Pull down

c. Drain up

d. Floating

Jawab: A

2. Dibawah ini manakah yang merupakan gerbang logika NAND?

a. 

b. 

c.

d. 


e. 


Jawab: d dan e


10. Download file

HTMLdisini

File Rangkaian 1-8: di sini

Video 1-8: disini

Datasheet Resistor: disini

Datasheet LED: disini

Datasheet Gerbang NAND: disini

Datasheet Gerbang NOR: disini

Datasheet Gerbang Inverter: disini




















 




Posting Komentar

0 Komentar